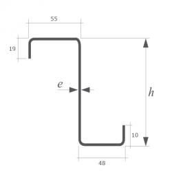
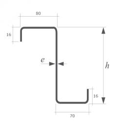
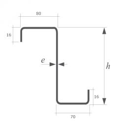
PROFILS ACIER MOD. Z GALVA
Si vous ne trouvez pas la dimension que vous recherchez, écrivez-nous ici.
¿Buscas un producto de otras características?
Contacta con nosotros y te informaremos de todas las opciones que disponemos por encargo.
