×
UPN - Manxa Ferros
×
972 27 50 27
ferros@manxa.com
|
Entrar
972 27 50 27
/
ferros@manxa.com
/
Lu. a vi. de 8 a 18 h /
Entrega en 24/48h
/
Mis Pedidos
¿No está registrado? Registrarse
/
Mi cuenta
Llámenos ahora:
972274527
Iniciar sesión
My account
Español
Español
Français
English
Català
|
0 producto(s)
Presupuesto (0)
Transformación (0)
Pedido (0)
Toda la web
ACEROS ESPECIALES Y CALIBRADOS
ACEROS PARA HORMIGÓN
ALAMBRE
CHAPA INDUSTRIAL
CHAPAS BOBINA
CUBIERTAS Y CERRAMIENTOS
OFERTAS
PERFILES COMERCIALES
PERFILES CONFORMADOS EN FRÍO
PERFILES ESTRUCTURALES
TUBOS
Productos y medidas de la unión de almacenistas de hierros de Cataluña y Baleares
TABLA PESOS UAHE
Productos y medidas de la unión de almacenistas de hierros de Cataluña y Baleares
×
0
PRODUCTOS
PERFILES ESTRUCTURALES
IPE
IPN
HEA
HEB
HEM
UPN
UPE
PERFILES COMERCIALES
PASAMANO
CUADRADO
REDONDO
ÁNGULO
ÁNGULO DESIGUAL
PERFIL T
FORMA U
PALANQUILLA
CHAPAS BOBINA
NEGRA
DECAPADA
LAMINADA EN FRÍO
GALVANITZADA
REPUJADA LAGRIMADA
REPUJADA ESTRIADA
CORTEN LAMINADA EN FRÍO
CORTEN LAMINADA EN CALIENTE
EMBUTIDA CACAHUETE
EMBUTIDA PUNTA DIAMANTE
EMBUTIDA ROMBO
EMBUTIDA LAGRIMADA
PERFORADA COLISO DECAPADA
PERFORADA COLISO GALVANIZADA
PERFORADA COLISO CORTEN
PERFORADA CUADRADA DECAPADA
PERFORADA CUADRADA GALVANIZADA
PERFORADA CUADRADA CORTEN
PERFORADA REDONDA DECAPADA
PERFORADA REDONDA GALVANIZADA
PERFORADA REDONDA CORTEN
PERFORADA TRESBOLILLO DECAPADA
PERFORADA TRESBOLILLO GALVANIZADA
PERFORADA TRESBOLILLO CORTEN
CHAPA DEPLOYÉ
RULO DEPLOYÉ
ELECTROZINCADA
LACADA
INOX FERRÍTIC
CHAPA INDUSTRIAL
CHAPA INDUSTRIAL
PLACA OXICORTE
PLETINA OXICORTE
DISCO OXICORTE
ARO OXICORTE
PLETINA PLASMA
DISCO PLASMA
ARO PLASMA
PLETINA LASER
DISCO LASER
ARO LASER
TUBOS
TUBO CONDUCCIÓN NEGRO
TUBO CONDUCCIÓN GALVANIZADO
TUBO CONDUCCIÓ SIN SOLDADURA EN10255-M
TUBO CONDUCCIÓN SIN SOLDADURA EN10255
TUBO PRESSIÓN SIN SOLDADURA EN10216
BARRA PERFORADA
TUBO CALIBRADO
TUBO PARED DELGADA REDONDO
TUBO PARED DELGADA CUADRADO
TUBO PARED DELGADA RECTANGULAR
TUBO GALVANIZADO REDONDO
TUBO GALVANIZADO CUADRADO
TUBO GALVANIZADO RECTANGULAR
TUBO ESTRUCTURAL REDONDO
TUBO ESTRUCTURAL CUADRADO
TUBO ESTRUCTURAL RECTANGULAR
TUBO CORTEN REDONDO
TUBO CORTEN CUADRADO
TUBO CORTEN RECTANGULAR
TUBO INOX FERRÍTICO RECTANGULAR
TUBO INOX FERRÍTICO CUADRADO
PERFILES CONFORMADOS EN FRÍO
ANGULO LAMINADO EN FRÍO
ANGULO LAMINADO GALVANIZADO
U LAMINADA EN FRÍO
U LAMINADA GALVANIZADA
TUBO ABIERTO LAMINADO EN FRÍO
TUBO ABIERTO GALVANIZADO
PERFIL CARPINTERIA DECAPADO
PERFIL CARPINTERIA GALVANIZADO
PASAMANO MEDIA CAÑA
CORREA PERFIL Z GALVANIZADA
CORREA PERFIL C GALVANIZADA
CUBIERTAS Y CERRAMIENTOS
CHAPA PEGASO GALVANIZADA
CHAPA PEGASO LAMINADA EN FRÍO
CHAPA MINIONDA GALVANIZADA
CHAPA MINIONDA MICROPERFILADA GALVA
CHAPA MINIONDA MICROPERFILADA LACADA
CHAPA TRAPEZOIDAL GALVANIZADA
CHAPA TRAPEZOIDAL TRANSPARENTE
CHAPA COLABORANTE GALVANIZADA
PERFIL VENECIANA DECAPADO
PERFIL VENECIANA GALVANIZADO
PERFIL ARTICULADO GALVANIZADO
CHAPA PUERTA BASCULANTE GALVANIZADA
CHAPA PUERTA BASCULANTE LACADA
PANEL SANDWICH CUBIERTA
PANEL SANDWICH FACHADA
PANEL SANDWICH FRIGORÍFICO
PANEL SANDWICH ONDULADO
PANEL SANDWICH CUBIERTA TRANSPARENTE
REMATE PARA PANEL
CHAPA MINIONDA LACADA
CHAPA TRAPEZOIDAL LACADA
CHAPA MINIONDA TRANSPARENTE
ENTRAMADOS METÁLICOS
PANELES PARA CERCADOS
ACEROS PARA HORMIGÓN
CORRUGADO
GRAFIL
MALLA
ZUNXO
FERRALLA ESTRIBOS
ALAMBRE
ALAMBRE
ACEROS ESPECIALES Y CALIBRADOS
PLETINA CALIBRADA
REDONDO CALIBRADO
CUADRADO CALIBRADO
HEXAGONAL CALIBRADO
CUADRADO ACERO ESPECIAL
REDONDO ACERO ESPECIAL
PLETINA ACERO ESPECIAL
HEXAGONAL ACERO ESPECIAL
CUADRADO ACERO ESPECIAL CALIBRADO
REDONDO ACERO ESPECIAL CALIBRADO
PLETINA ACERO ESPECIAL CALIBRADO
HEXAGONAL ACERO ESPECIAL CALIBRADO
ÁNGULO ACERO ESPECIAL CALIBRADO
OFERTAS
TODOS LOS PRODUCTOS
PERFILES ESTRUCTURALES
PERFILES COMERCIALES
CHAPAS BOBINA
TUBOS
PERFILES CONFORMADOS EN FRÍO
ACEROS PARA HORMIGÓN
ALAMBRE
ACEROS ESPECIALES Y CALIBRADOS
PRODUCTOS
PERFILES ESTRUCTURALES
PERFILES COMERCIALES
CHAPAS BOBINA
CHAPA INDUSTRIAL
TUBOS
PERFILES CONFORMADOS EN FRÍO
CUBIERTAS Y CERRAMIENTOS
ACEROS PARA HORMIGÓN
ALAMBRE
ACEROS ESPECIALES Y CALIBRADOS
OFERTAS
×
HOME
+ MANXA
SERVICIOS
QUIéNES SOMOS?
-
HISTORIA Y GRUPO
-
MISIóN, VISIóN Y VALORES
-
RESPONSABILIDAD SOCIAL CORPORATIVA
-
EQUIPO MANXA
-
QUIéNES SOMOS?
-
BLOG
CONTACTO
ESPAÑOL
FRANÇAIS
ENGLISH
CATALÀ
PRODUCTOS
PERFILES ESTRUCTURALES
IPE
IPN
HEA
HEB
HEM
UPN
UPE
PERFILES COMERCIALES
PASAMANO
CUADRADO
REDONDO
ÁNGULO
ÁNGULO DESIGUAL
PERFIL T
FORMA U
PALANQUILLA
CHAPAS BOBINA
NEGRA
DECAPADA
LAMINADA EN FRÍO
GALVANITZADA
REPUJADA LAGRIMADA
REPUJADA ESTRIADA
CORTEN LAMINADA EN FRÍO
CORTEN LAMINADA EN CALIENTE
EMBUTIDA CACAHUETE
EMBUTIDA PUNTA DIAMANTE
EMBUTIDA ROMBO
EMBUTIDA LAGRIMADA
PERFORADA COLISO DECAPADA
PERFORADA COLISO GALVANIZADA
PERFORADA COLISO CORTEN
PERFORADA CUADRADA DECAPADA
PERFORADA CUADRADA GALVANIZADA
PERFORADA CUADRADA CORTEN
PERFORADA REDONDA DECAPADA
PERFORADA REDONDA GALVANIZADA
PERFORADA REDONDA CORTEN
PERFORADA TRESBOLILLO DECAPADA
PERFORADA TRESBOLILLO GALVANIZADA
PERFORADA TRESBOLILLO CORTEN
CHAPA DEPLOYÉ
RULO DEPLOYÉ
ELECTROZINCADA
LACADA
INOX FERRÍTIC
CHAPA INDUSTRIAL
CHAPA INDUSTRIAL
PLACA OXICORTE
PLETINA OXICORTE
DISCO OXICORTE
ARO OXICORTE
PLETINA PLASMA
DISCO PLASMA
ARO PLASMA
PLETINA LASER
DISCO LASER
ARO LASER
TUBOS
TUBO CONDUCCIÓN NEGRO
TUBO CONDUCCIÓN GALVANIZADO
TUBO CONDUCCIÓ SIN SOLDADURA EN10255-M
TUBO CONDUCCIÓN SIN SOLDADURA EN10255
TUBO PRESSIÓN SIN SOLDADURA EN10216
BARRA PERFORADA
TUBO CALIBRADO
TUBO PARED DELGADA REDONDO
TUBO PARED DELGADA CUADRADO
TUBO PARED DELGADA RECTANGULAR
TUBO GALVANIZADO REDONDO
TUBO GALVANIZADO CUADRADO
TUBO GALVANIZADO RECTANGULAR
TUBO ESTRUCTURAL REDONDO
TUBO ESTRUCTURAL CUADRADO
TUBO ESTRUCTURAL RECTANGULAR
TUBO CORTEN REDONDO
TUBO CORTEN CUADRADO
TUBO CORTEN RECTANGULAR
TUBO INOX FERRÍTICO RECTANGULAR
TUBO INOX FERRÍTICO CUADRADO
PERFILES CONFORMADOS EN FRÍO
ANGULO LAMINADO EN FRÍO
ANGULO LAMINADO GALVANIZADO
U LAMINADA EN FRÍO
U LAMINADA GALVANIZADA
TUBO ABIERTO LAMINADO EN FRÍO
TUBO ABIERTO GALVANIZADO
PERFIL CARPINTERIA DECAPADO
PERFIL CARPINTERIA GALVANIZADO
PASAMANO MEDIA CAÑA
CORREA PERFIL Z GALVANIZADA
CORREA PERFIL C GALVANIZADA
CUBIERTAS Y CERRAMIENTOS
CHAPA PEGASO GALVANIZADA
CHAPA PEGASO LAMINADA EN FRÍO
CHAPA MINIONDA GALVANIZADA
CHAPA MINIONDA MICROPERFILADA GALVA
CHAPA MINIONDA MICROPERFILADA LACADA
CHAPA TRAPEZOIDAL GALVANIZADA
CHAPA TRAPEZOIDAL TRANSPARENTE
CHAPA COLABORANTE GALVANIZADA
PERFIL VENECIANA DECAPADO
PERFIL VENECIANA GALVANIZADO
PERFIL ARTICULADO GALVANIZADO
CHAPA PUERTA BASCULANTE GALVANIZADA
CHAPA PUERTA BASCULANTE LACADA
PANEL SANDWICH CUBIERTA
PANEL SANDWICH FACHADA
PANEL SANDWICH FRIGORÍFICO
PANEL SANDWICH ONDULADO
PANEL SANDWICH CUBIERTA TRANSPARENTE
REMATE PARA PANEL
CHAPA MINIONDA LACADA
CHAPA TRAPEZOIDAL LACADA
CHAPA MINIONDA TRANSPARENTE
ENTRAMADOS METÁLICOS
PANELES PARA CERCADOS
ACEROS PARA HORMIGÓN
CORRUGADO
GRAFIL
MALLA
ZUNXO
FERRALLA ESTRIBOS
ALAMBRE
ALAMBRE
ACEROS ESPECIALES Y CALIBRADOS
PLETINA CALIBRADA
REDONDO CALIBRADO
CUADRADO CALIBRADO
HEXAGONAL CALIBRADO
CUADRADO ACERO ESPECIAL
REDONDO ACERO ESPECIAL
PLETINA ACERO ESPECIAL
HEXAGONAL ACERO ESPECIAL
CUADRADO ACERO ESPECIAL CALIBRADO
REDONDO ACERO ESPECIAL CALIBRADO
PLETINA ACERO ESPECIAL CALIBRADO
HEXAGONAL ACERO ESPECIAL CALIBRADO
ÁNGULO ACERO ESPECIAL CALIBRADO
OFERTAS
TODOS LOS PRODUCTOS
PERFILES ESTRUCTURALES
PERFILES COMERCIALES
CHAPAS BOBINA
TUBOS
PERFILES CONFORMADOS EN FRÍO
ACEROS PARA HORMIGÓN
ALAMBRE
ACEROS ESPECIALES Y CALIBRADOS
PRODUCTOS
PERFILES ESTRUCTURALES
PERFILES COMERCIALES
CHAPAS BOBINA
CHAPA INDUSTRIAL
TUBOS
PERFILES CONFORMADOS EN FRÍO
CUBIERTAS Y CERRAMIENTOS
ACEROS PARA HORMIGÓN
ALAMBRE
ACEROS ESPECIALES Y CALIBRADOS
OFERTAS
×
HOME
+ MANXA
SERVICIOS
QUIéNES SOMOS?
-
HISTORIA Y GRUPO
-
MISIóN, VISIóN Y VALORES
-
RESPONSABILIDAD SOCIAL CORPORATIVA
-
EQUIPO MANXA
-
QUIéNES SOMOS?
-
BLOG
CONTACTO
ESPAÑOL
FRANÇAIS
ENGLISH
CATALÀ
Home
Servicios
VALOR
Kanban
Catálogo Cliente
Tarifa Cliente
Área Cliente / Tienda Online
Digitalización de la facturación
Digitalización con tekla
Digitalización del aprovisionamiento de tu empresa
TRANSFORMACIÓN
Corte
Découpe au laser à fibre 3D
Taladrado
Granalla
Imprimación
Elaboración y montaje de aceros para hormigón
Marcaje en Frío
Escotado de vigas
Otros servicios
EFICIENCIA
Transporte
Trazabilidad
Certificación EN1090
Etiquetaje
Librería técnica
Galeria de Vídeos
Comprar en manxa
+ MANXA
Digitalización
Tecnología
Calidad y Responsabilidad
Quiénes somos?
Historia y grupo
Misión, visión y valores
Responsabilidad Social Corporativa
Equipo manxa
Quiénes somos?
Blog
CONTACTO
Home
>
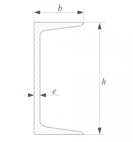
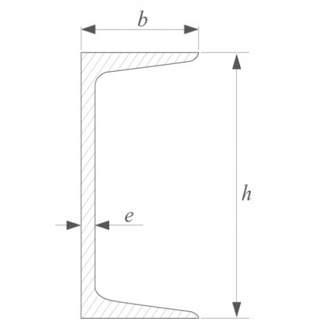
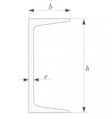
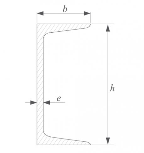
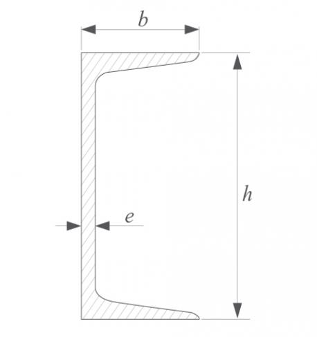
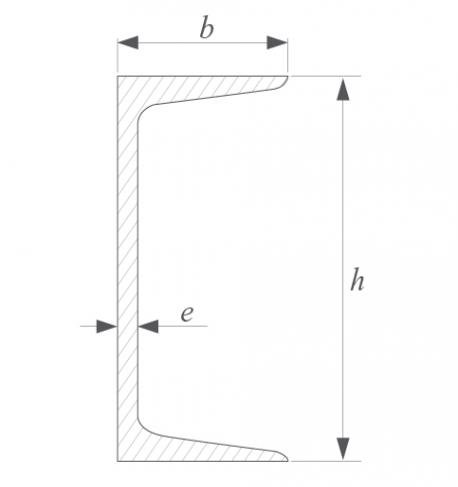
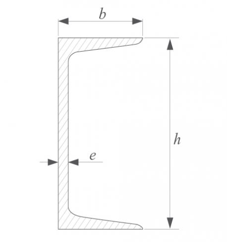
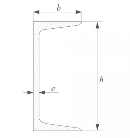
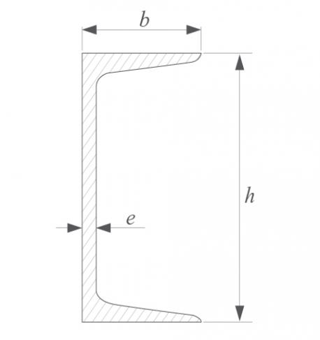
PERFILES ESTRUCTURALES
>
UPN
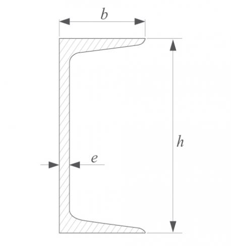
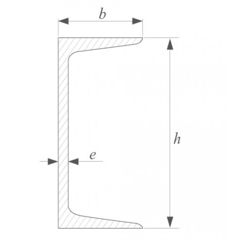
UPN
(44) productos
ALTURA
Sin filtros
80
100
120
140
160
180
200
220
240
260
280
300
320
350
380
400
Cargando...
×
¿Necesitas transformar estos productos a tu medida? Haz click en
"configurar material"
para añadir tu configuración
UPN 350 S-275JR
Código Manxa: 61
CALIDAD: S275
Peso UAHE: 62.12 KG/M
NORMA CERTIFICADO: UNE-EN 10204/3.1
NORMATIVA MATERIAL: UNE-EN 10279=200
DIMENSIONES: 350 x 100 x 14 mm.
ATRIBUTOS
ALTURA :
350
Cantidad
10M
12M
14M
15M
16M
18M
Presupuestar
Configurar material a medida
¿Necesitas transformar estos productos a tu medida? Haz click en
"configurar material"
para añadir tu configuración
UPN 400 S-275JR
Código Manxa: 209
CALIDAD: S275
Peso UAHE: 73.6 KG/M
NORMA CERTIFICADO: UNE-EN 10204/3.1
NORMATIVA MATERIAL: UNE-EN 10279=200
DIMENSIONES: 400 x 110 x 14 mm.
ATRIBUTOS
ALTURA :
400
Cantidad
10M
12M
14M
15M
16M
18M
Presupuestar
Configurar material a medida
¿Necesitas transformar estos productos a tu medida? Haz click en
"configurar material"
para añadir tu configuración
UPN 380 S-275JR
Código Manxa: 2101
CALIDAD: S275
Peso UAHE: 64.68 KG/M
NORMA CERTIFICADO: UNE-EN 10204/3.1
NORMATIVA MATERIAL: UNE-EN 10279=200
DIMENSIONES: 380 x 102 x 13.5 mm.
ATRIBUTOS
ALTURA :
380
Cantidad
10M
12M
14M
15M
16M
18M
Presupuestar
Configurar material a medida
¿Necesitas transformar estos productos a tu medida? Haz click en
"configurar material"
para añadir tu configuración
UPN 80 S-275JR
Código Manxa: 2834
CALIDAD: S275
Peso UAHE: 8.87 KG/M
NORMA CERTIFICADO: UNE-EN 10204/3.1
NORMATIVA MATERIAL: UNE-EN 10279=200
DIMENSIONES: 80 x 45 x 6 mm.
ATRIBUTOS
ALTURA :
80
Cantidad
10M
12M
14M
15M
16M
18M
Presupuestar
Configurar material a medida
¿Necesitas transformar estos productos a tu medida? Haz click en
"configurar material"
para añadir tu configuración
UPN 100 S-275JR
Código Manxa: 2845
CALIDAD: S275
Peso UAHE: 10.87 KG/M
NORMA CERTIFICADO: UNE-EN 10204/3.1
NORMATIVA MATERIAL: UNE-EN 10279=200
DIMENSIONES: 100 x 50 x 6 mm.
ATRIBUTOS
ALTURA :
100
Cantidad
10M
12M
14M
15M
16M
18M
Presupuestar
Configurar material a medida
¿Necesitas transformar estos productos a tu medida? Haz click en
"configurar material"
para añadir tu configuración
UPN 120 S-275JR
Código Manxa: 2856
CALIDAD: S275
Peso UAHE: 13.74 KG/M
NORMA CERTIFICADO: UNE-EN 10204/3.1
NORMATIVA MATERIAL: UNE-EN 10279=200
DIMENSIONES: 120 x 55 x 7 mm.
ATRIBUTOS
ALTURA :
120
Cantidad
10M
12M
14M
15M
16M
18M
Presupuestar
Configurar material a medida
¿Necesitas transformar estos productos a tu medida? Haz click en
"configurar material"
para añadir tu configuración
UPN 140 S-275JR
Código Manxa: 2867
CALIDAD: S275
Peso UAHE: 16.4 KG/M
NORMA CERTIFICADO: UNE-EN 10204/3.1
NORMATIVA MATERIAL: UNE-EN 10279=200
DIMENSIONES: 140 x 60 x 7 mm.
ATRIBUTOS
ALTURA :
140
Cantidad
10M
12M
14M
15M
16M
18M
Presupuestar
Configurar material a medida
¿Necesitas transformar estos productos a tu medida? Haz click en
"configurar material"
para añadir tu configuración
UPN 160 S-275JR
Código Manxa: 2878
CALIDAD: S275
Peso UAHE: 19.27 KG/M
NORMA CERTIFICADO: UNE-EN 10204/3.1
NORMATIVA MATERIAL: UNE-EN 10279=200
DIMENSIONES: 160 x 65 x 7.5 mm.
ATRIBUTOS
ALTURA :
160
Cantidad
10M
12M
14M
15M
16M
18M
Presupuestar
Configurar material a medida
¿Necesitas transformar estos productos a tu medida? Haz click en
"configurar material"
para añadir tu configuración
UPN 180 S-275JR
Código Manxa: 2889
CALIDAD: S275
Peso UAHE: 22.55 KG/M
NORMA CERTIFICADO: UNE-EN 10204/3.1
NORMATIVA MATERIAL: UNE-EN 10279=200
DIMENSIONES: 180 x 70 x 8 mm.
ATRIBUTOS
ALTURA :
180
Cantidad
10M
12M
14M
15M
16M
18M
Presupuestar
Configurar material a medida
¿Necesitas transformar estos productos a tu medida? Haz click en
"configurar material"
para añadir tu configuración
UPN 200 S-275JR
Código Manxa: 2891
CALIDAD: S275
Peso UAHE: 25.93 KG/M
NORMA CERTIFICADO: UNE-EN 10204/3.1
NORMATIVA MATERIAL: UNE-EN 10279=200
DIMENSIONES: 200 x 75 x 8.5 mm.
ATRIBUTOS
ALTURA :
200
Cantidad
10M
12M
14M
15M
16M
18M
Presupuestar
Configurar material a medida
¿Necesitas transformar estos productos a tu medida? Haz click en
"configurar material"
para añadir tu configuración
UPN 220 S-275JR
Código Manxa: 2902
CALIDAD: S275
Peso UAHE: 30.14 KG/M
NORMA CERTIFICADO: UNE-EN 10204/3.1
NORMATIVA MATERIAL: UNE-EN 10279=200
DIMENSIONES: 220 x 80 x 9 mm.
ATRIBUTOS
ALTURA :
220
Cantidad
10M
12M
14M
15M
16M
18M
Presupuestar
Configurar material a medida
¿Necesitas transformar estos productos a tu medida? Haz click en
"configurar material"
para añadir tu configuración
UPN 240 S-275JR
Código Manxa: 2913
CALIDAD: S275
Peso UAHE: 34.03 KG/M
NORMA CERTIFICADO: UNE-EN 10204/3.1
NORMATIVA MATERIAL: UNE-EN 10279=200
DIMENSIONES: 240 x 85 x 9.5 mm.
ATRIBUTOS
ALTURA :
240
Cantidad
10M
12M
14M
15M
16M
18M
Presupuestar
Configurar material a medida
¿Necesitas transformar estos productos a tu medida? Haz click en
"configurar material"
para añadir tu configuración
UPN 260 S-275JR
Código Manxa: 2924
CALIDAD: S275
Peso UAHE: 38.85 KG/M
NORMA CERTIFICADO: UNE-EN 10204/3.1
NORMATIVA MATERIAL: UNE-EN 10279=200
DIMENSIONES: 260 x 90 x 10 mm.
ATRIBUTOS
ALTURA :
260
Cantidad
10M
12M
14M
15M
16M
18M
Presupuestar
Configurar material a medida
¿Necesitas transformar estos productos a tu medida? Haz click en
"configurar material"
para añadir tu configuración
UPN 280 S-275JR
Código Manxa: 2935
CALIDAD: S275
Peso UAHE: 42.85 KG/M
NORMA CERTIFICADO: UNE-EN 10204/3.1
NORMATIVA MATERIAL: UNE-EN 10279=200
DIMENSIONES: 280 x 95 x 10 mm.
ATRIBUTOS
ALTURA :
280
Cantidad
10M
12M
14M
15M
16M
18M
Presupuestar
Configurar material a medida
¿Necesitas transformar estos productos a tu medida? Haz click en
"configurar material"
para añadir tu configuración
UPN 300 S-275JR
Código Manxa: 2946
CALIDAD: S275
Peso UAHE: 47.36 KG/M
NORMA CERTIFICADO: UNE-EN 10204/3.1
NORMATIVA MATERIAL: UNE-EN 10279=200
DIMENSIONES: 300 x 100 x 10 mm.
ATRIBUTOS
ALTURA :
300
Cantidad
10M
11M
12M
14M
15M
16M
18M
Presupuestar
Configurar material a medida
¿Necesitas transformar estos productos a tu medida? Haz click en
"configurar material"
para añadir tu configuración
UPN 80X6100 S-275JR
Código Manxa: 3371
CALIDAD: S275
Peso UAHE: 8.87 KG/M
NORMA CERTIFICADO: UNE-EN 10204/3.1
NORMATIVA MATERIAL: UNE-EN 10279=200
DIMENSIONES: 80 x 45 x 6 mm.
ATRIBUTOS
ALTURA :
80
Cantidad
UN
Presupuestar
Configurar material a medida
¿Necesitas transformar estos productos a tu medida? Haz click en
"configurar material"
para añadir tu configuración
UPN 100X6100 S-275JR
Código Manxa: 3372
CALIDAD: S275
Peso UAHE: 10.87 KG/M
NORMA CERTIFICADO: UNE-EN 10204/3.1
NORMATIVA MATERIAL: UNE-EN 10279=200
DIMENSIONES: 100 x 50 x 6 mm.
ATRIBUTOS
ALTURA :
100
Cantidad
UN
Presupuestar
Configurar material a medida
¿Necesitas transformar estos productos a tu medida? Haz click en
"configurar material"
para añadir tu configuración
UPN 120X6100 S-275JR
Código Manxa: 3373
CALIDAD: S275
Peso UAHE: 13.74 KG/M
NORMA CERTIFICADO: UNE-EN 10204/3.1
NORMATIVA MATERIAL: UNE-EN 10279=200
DIMENSIONES: 120 x 55 x 7 mm.
ATRIBUTOS
ALTURA :
120
Cantidad
UN
Presupuestar
Configurar material a medida
¿Necesitas transformar estos productos a tu medida? Haz click en
"configurar material"
para añadir tu configuración
UPN 140X6100 S-275JR
Código Manxa: 3376
CALIDAD: S275
Peso UAHE: 16.4 KG/M
NORMA CERTIFICADO: UNE-EN 10204/3.1
NORMATIVA MATERIAL: UNE-EN 10279=200
DIMENSIONES: 140 x 60 x 7 mm.
ATRIBUTOS
ALTURA :
140
Cantidad
UN
Presupuestar
Configurar material a medida
¿Necesitas transformar estos productos a tu medida? Haz click en
"configurar material"
para añadir tu configuración
UPN 160X6100 S-275JR
Código Manxa: 3377
CALIDAD: S275
Peso UAHE: 19.27 KG/M
NORMA CERTIFICADO: UNE-EN 10204/3.1
NORMATIVA MATERIAL: UNE-EN 10279=200
DIMENSIONES: 160 x 70 x 7.5 mm.
ATRIBUTOS
ALTURA :
160
Cantidad
UN
Presupuestar
Configurar material a medida
¿Necesitas transformar estos productos a tu medida? Haz click en
"configurar material"
para añadir tu configuración
UPN 320 S-275JR
Código Manxa: 3837
CALIDAD: S275
Peso UAHE: 60.99 KG/M
NORMA CERTIFICADO: UNE-EN 10204/3.1
NORMATIVA MATERIAL: UNE-EN 10279=200
DIMENSIONES: 320 x 100 x 14 mm.
ATRIBUTOS
ALTURA :
320
Cantidad
10M
12M
14M
15M
16M
18M
Presupuestar
Configurar material a medida
¿Necesitas transformar estos productos a tu medida? Haz click en
"configurar material"
para añadir tu configuración
UPN 80 S-355JR
Código Manxa: 3979
CALIDAD: S355
Peso UAHE: 8.87 KG/M
NORMA CERTIFICADO: UNE-EN 10204/3.1
NORMATIVA MATERIAL: UNE-EN 10279=200
DIMENSIONES: 80 x 45 x 6 mm.
ATRIBUTOS
ALTURA :
80
Cantidad
10M
12M
14M
15M
16M
18M
Presupuestar
Configurar material a medida
¿Necesitas transformar estos productos a tu medida? Haz click en
"configurar material"
para añadir tu configuración
UPN 100 S-355JR
Código Manxa: 3980
CALIDAD: S355
Peso UAHE: 10.87 KG/M
NORMA CERTIFICADO: UNE-EN 10204/3.1
NORMATIVA MATERIAL: UNE-EN 10279=200
DIMENSIONES: 100 x 50 x 6 mm.
ATRIBUTOS
ALTURA :
100
Cantidad
10M
12M
14M
15M
16M
18M
Presupuestar
Configurar material a medida
¿Necesitas transformar estos productos a tu medida? Haz click en
"configurar material"
para añadir tu configuración
UPN 120 S-355JR
Código Manxa: 3981
CALIDAD: S355
Peso UAHE: 13.74 KG/M
NORMA CERTIFICADO: UNE-EN 10204/3.1
NORMATIVA MATERIAL: UNE-EN 10279=200
DIMENSIONES: 120 x 55 x 7 mm.
ATRIBUTOS
ALTURA :
120
Cantidad
10M
12M
14M
15M
16M
18M
Presupuestar
Configurar material a medida
¿Necesitas transformar estos productos a tu medida? Haz click en
"configurar material"
para añadir tu configuración
UPN 140 S-355JR
Código Manxa: 3983
CALIDAD: S355
Peso UAHE: 16.4 KG/M
NORMA CERTIFICADO: UNE-EN 10204/3.1
NORMATIVA MATERIAL: UNE-EN 10279=200
DIMENSIONES: 140 x 60 x 7 mm.
ATRIBUTOS
ALTURA :
140
Cantidad
10M
12M
14M
15M
16M
18M
Presupuestar
Configurar material a medida
¿Necesitas transformar estos productos a tu medida? Haz click en
"configurar material"
para añadir tu configuración
UPN 160 S-355JR
Código Manxa: 3984
CALIDAD: S355
Peso UAHE: 19.27 KG/M
NORMA CERTIFICADO: UNE-EN 10204/3.1
NORMATIVA MATERIAL: UNE-EN 10279=200
DIMENSIONES: 160 x 65 x 7.5 mm.
ATRIBUTOS
ALTURA :
160
Cantidad
10M
12M
14M
15M
16M
18M
Presupuestar
Configurar material a medida
¿Necesitas transformar estos productos a tu medida? Haz click en
"configurar material"
para añadir tu configuración
UPN 180 S-355JR
Código Manxa: 3985
CALIDAD: S355
Peso UAHE: 22.55 KG/M
NORMA CERTIFICADO: UNE-EN 10204/3.1
NORMATIVA MATERIAL: UNE-EN 10279=200
DIMENSIONES: 180 x 75 x 8 mm.
ATRIBUTOS
ALTURA :
180
Cantidad
10M
12M
14M
15M
16M
18M
Presupuestar
Configurar material a medida
¿Necesitas transformar estos productos a tu medida? Haz click en
"configurar material"
para añadir tu configuración
UPN 200 S-355JR
Código Manxa: 3986
CALIDAD: S355
Peso UAHE: 25.93 KG/M
NORMA CERTIFICADO: UNE-EN 10204/3.1
NORMATIVA MATERIAL: UNE-EN 10279=200
DIMENSIONES: 200 x 80 x 8.5 mm.
ATRIBUTOS
ALTURA :
200
Cantidad
10M
12M
14M
15M
16M
18M
Presupuestar
Configurar material a medida
¿Necesitas transformar estos productos a tu medida? Haz click en
"configurar material"
para añadir tu configuración
UPN 220 S-355JR
Código Manxa: 3987
CALIDAD: S355
Peso UAHE: 30.14 KG/M
NORMA CERTIFICADO: UNE-EN 10204/3.1
NORMATIVA MATERIAL: UNE-EN 10279=200
DIMENSIONES: 220 x 85 x 9 mm.
ATRIBUTOS
ALTURA :
220
Cantidad
10M
12M
14M
15M
16M
18M
Presupuestar
Configurar material a medida
¿Necesitas transformar estos productos a tu medida? Haz click en
"configurar material"
para añadir tu configuración
UPN 240 S-355JR
Código Manxa: 3988
CALIDAD: S355
Peso UAHE: 34.03 KG/M
NORMA CERTIFICADO: UNE-EN 10204/3.1
NORMATIVA MATERIAL: UNE-EN 10279=200
DIMENSIONES: 240 x 90 x 9.5 mm.
ATRIBUTOS
ALTURA :
240
Cantidad
10M
12M
14M
15M
16M
18M
Presupuestar
Configurar material a medida
¿Necesitas transformar estos productos a tu medida? Haz click en
"configurar material"
para añadir tu configuración
UPN 260 S-355JR
Código Manxa: 3989
CALIDAD: S355
Peso UAHE: 38.85 KG/M
NORMA CERTIFICADO: UNE-EN 10204/3.1
NORMATIVA MATERIAL: UNE-EN 10279=200
DIMENSIONES: 260 x 95 x 10 mm.
ATRIBUTOS
ALTURA :
260
Cantidad
10M
12M
14M
15M
16M
18M
Presupuestar
Configurar material a medida
¿Necesitas transformar estos productos a tu medida? Haz click en
"configurar material"
para añadir tu configuración
UPN 280 S-355JR
Código Manxa: 3990
CALIDAD: S355
Peso UAHE: 42.85 KG/M
NORMA CERTIFICADO: UNE-EN 10204/3.1
NORMATIVA MATERIAL: UNE-EN 10279=200
DIMENSIONES: 280 x 100 x 10 mm.
ATRIBUTOS
ALTURA :
280
Cantidad
10M
12M
14M
15M
16M
18M
Presupuestar
Configurar material a medida
¿Necesitas transformar estos productos a tu medida? Haz click en
"configurar material"
para añadir tu configuración
UPN 300 S-355JR
Código Manxa: 3991
CALIDAD: S355
Peso UAHE: 47.36 KG/M
NORMA CERTIFICADO: UNE-EN 10204/3.1
NORMATIVA MATERIAL: UNE-EN 10279=200
DIMENSIONES: 300 x 100 x 10 mm.
ATRIBUTOS
ALTURA :
300
Cantidad
10M
12M
14M
15M
16M
18M
Presupuestar
Configurar material a medida
¿Necesitas transformar estos productos a tu medida? Haz click en
"configurar material"
para añadir tu configuración
UPN 320 S-355JR
Código Manxa: 3992
CALIDAD: S355
Peso UAHE: 60.99 KG/M
NORMA CERTIFICADO: UNE-EN 10204/3.1
NORMATIVA MATERIAL: UNE-EN 10279=200
DIMENSIONES: 320 x 100 x 14 mm.
ATRIBUTOS
ALTURA :
320
Cantidad
10M
12M
14M
15M
16M
18M
Presupuestar
Configurar material a medida
¿Necesitas transformar estos productos a tu medida? Haz click en
"configurar material"
para añadir tu configuración
UPN 350 S-355JR
Código Manxa: 3994
CALIDAD: S355
Peso UAHE: 62.12 KG/M
NORMA CERTIFICADO: UNE-EN 10204/3.1
NORMATIVA MATERIAL: UNE-EN 10279=200
DIMENSIONES: 350 x 100 x 14 mm.
ATRIBUTOS
ALTURA :
350
Cantidad
10M
12M
14M
15M
16M
18M
Presupuestar
Configurar material a medida
¿Necesitas transformar estos productos a tu medida? Haz click en
"configurar material"
para añadir tu configuración
UPN 380 S-355JR
Código Manxa: 3995
CALIDAD: S355
Peso UAHE: 64.68 KG/M
NORMA CERTIFICADO: UNE-EN 10204/3.1
NORMATIVA MATERIAL: UNE-EN 10279=200
DIMENSIONES: 380 x 102 x 13.5 mm.
ATRIBUTOS
ALTURA :
380
Cantidad
10M
12M
14M
15M
16M
18M
Presupuestar
Configurar material a medida
¿Necesitas transformar estos productos a tu medida? Haz click en
"configurar material"
para añadir tu configuración
UPN 400 S-355JR
Código Manxa: 3996
CALIDAD: S355
Peso UAHE: 73.6 KG/M
NORMA CERTIFICADO: UNE-EN 10204/3.1
NORMATIVA MATERIAL: UNE-EN 10279=200
DIMENSIONES: 400 x 110 x 14 mm.
ATRIBUTOS
ALTURA :
400
Cantidad
10M
12M
14M
15M
16M
18M
Presupuestar
Configurar material a medida
¿Necesitas transformar estos productos a tu medida? Haz click en
"configurar material"
para añadir tu configuración
UPN 80X6100 S-355JR
Código Manxa: 4521
CALIDAD: S355
Peso UAHE: 8.87 KG/M
NORMA CERTIFICADO: UNE-EN 10204/3.1
NORMATIVA MATERIAL: UNE-EN 10279=200
DIMENSIONES: 80 x 45 x 6 mm.
ATRIBUTOS
ALTURA :
80
Cantidad
UN
Presupuestar
Configurar material a medida
¿Necesitas transformar estos productos a tu medida? Haz click en
"configurar material"
para añadir tu configuración
UPN 100X6100 S-355JR
Código Manxa: 4523
CALIDAD: S355
Peso UAHE: 10.87 KG/M
NORMA CERTIFICADO: UNE-EN 10204/3.1
NORMATIVA MATERIAL: UNE-EN 10279=200
DIMENSIONES: 100 x 50 x 6 mm.
ATRIBUTOS
ALTURA :
100
Cantidad
UN
Presupuestar
Configurar material a medida
¿Necesitas transformar estos productos a tu medida? Haz click en
"configurar material"
para añadir tu configuración
UPN 120X6100 S-355JR
Código Manxa: 4524
CALIDAD: S355
Peso UAHE: 13.74 KG/M
NORMA CERTIFICADO: UNE-EN 10204/3.1
NORMATIVA MATERIAL: UNE-EN 10279=200
DIMENSIONES: 120 x 55 x 7 mm.
ATRIBUTOS
ALTURA :
120
Cantidad
UN
Presupuestar
Configurar material a medida
¿Necesitas transformar estos productos a tu medida? Haz click en
"configurar material"
para añadir tu configuración
UPN 140X6100 S-355JR
Código Manxa: 4525
CALIDAD: S355
Peso UAHE: 16.4 KG/M
NORMA CERTIFICADO: UNE-EN 10204/3.1
NORMATIVA MATERIAL: UNE-EN 10279=200
DIMENSIONES: 140 x 60 x 7 mm.
ATRIBUTOS
ALTURA :
140
Cantidad
UN
Presupuestar
Configurar material a medida
¿Necesitas transformar estos productos a tu medida? Haz click en
"configurar material"
para añadir tu configuración
UPN 160X6100 S-355JR
Código Manxa: 4526
CALIDAD: S355
Peso UAHE: 19.27 KG/M
NORMA CERTIFICADO: UNE-EN 10204/3.1
NORMATIVA MATERIAL: UNE-EN 10279=200
DIMENSIONES: 160 x 70 x 7.5 mm.
ATRIBUTOS
ALTURA :
160
Cantidad
UN
Presupuestar
Configurar material a medida
¿Necesitas transformar estos productos a tu medida? Haz click en
"configurar material"
para añadir tu configuración
UPN 200X6100 S-275JR
Código Manxa: 17775
CALIDAD: S275
Peso UAHE: 25.93 KG/M
NORMA CERTIFICADO: UNE-EN 10204/3.1
NORMATIVA MATERIAL: UNE-EN 10279=200
DIMENSIONES: 160 mm.
ATRIBUTOS
ALTURA :
160
Cantidad
UN
Presupuestar
Configurar material a medida
¿Necesitas transformar estos productos a tu medida? Haz click en
"configurar material"
para añadir tu configuración
UPN 220 S-355J2
Código Manxa: 18612
CALIDAD: S355
Peso UAHE: 45.73 KG/M
NORMA CERTIFICADO: UNE-EN 10204/3.1
NORMATIVA MATERIAL: UNE-EN 10279=200
DIMENSIONES: 300 x 100 x 9.5 mm.
ATRIBUTOS
ALTURA :
300
Cantidad
10M
12M
14M
15M
16M
18M
Presupuestar
Configurar material a medida
×
Atención
Para proceder la acción hay que estar registrado.
Haz click aquí para registrate.
Mostrando 1 - 44 de 44 ítems